F&P 450mm x 2.4mm Steel Purlin Line #0149

F&P 450mm x 2.4mm Steel Purlin Line #0149
or
Call +39 393 577 2205
Description
< click to enlarge
BUILD TO ORDER
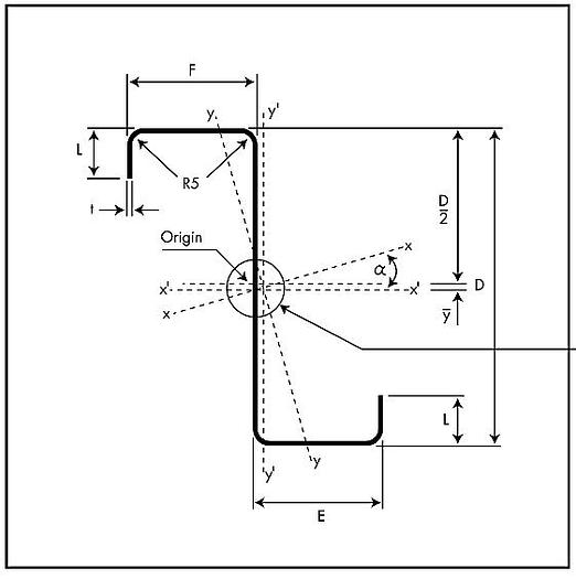
steel grade 450 and Z350 coat material
max. forming speed 25m / minute
- Decoiler
- Straightener and Servo Drive Group
- Servo Press
- Roll former, 22 station
- Roll Tooling
- Flying Shear
- Outlet Table
- Electrics etc.
-
Specifications
| Manufacturer | F&P |
| Model | 450mm x 2.4mm Steel Purlin Line #0149 |
| Condition | New |
| Stock Number | 0149 |




